Posts: 1,910
Threads: 172
Likes Received: 2,390 in 934 posts
Likes Given: 2,355
Joined: Mar 2019
Location Overijse, Belgium
Help on Chassis and motor
SO in my plethora thread , I have a Ferrari that I now find does not take a standard motor
Chassis at the moment
Driver tray
Tray fitted.....
Chassis test fit.....
When fitting the supplied driver tray, which is not bad, and then test fitting the chassis, the last pic shows the height discrepancy.
I assume that this either needs a front wheel drive chassis OR a HO type motor and chassis to fit?
Amy suggestions and suppliers?
•
Posts: 1,234
Threads: 84
Likes Received: 1,029 in 514 posts
Likes Given: 238
Joined: Apr 2019
Location France
Dump the tray and fit some black card with a driver stuck on top like what proper slot cars have!
•
Posts: 1,910
Threads: 172
Likes Received: 2,390 in 934 posts
Likes Given: 2,355
Joined: Mar 2019
Location Overijse, Belgium
Well thats one idea
•
Posts: 1,729
Threads: 256
Likes Received: 1,570 in 802 posts
Likes Given: 1,785
Joined: Apr 2019
Location Edinburgh, Scotland
Hello Anthony,
I just trried an HO type motor in a PCS 32 chassis and with the pinion shaft aligned to the rear axle centre-line it sits with about 1mm above the sides of the chassis. I reckon it would be an easy fitment using plasticard to fill the gap from the motor frame to the chassis sides (about 1.5mm). HO motor is 9.5mm high, 18 wide and 21,5 long
A Carrera Go! motor might be a possibility having a height of approx 10.8mm. Cutting out the Carrera motor mount from a chassis and gluing it in to the PCS chassis might be do-able. LloydL can probably suggest what pinions would fit and mesh with a standard Scalextric crown gear.
Leo
Forum Precepts: Don't hijack or divert topics - create a new one. Don't feed the Troll. http://www.scuderiaturini.com
Posts: 1,205
Threads: 141
Likes Received: 1,389 in 612 posts
Likes Given: 734
Joined: Apr 2019
Location Chesterfield, UK
Scalextric themselves - and Ninco - used 'HO motors' in a few vehicles. Lorries, karts and Sulkies spring to mind. I'm sure there were others too, so there must be a choice of pinions to fit.
There are also hotter than stock 'HO motors' about at reasonable prices.
Oh, of course there is the MicroScalextrivc range too, with second hand cars available 'ten a penny' on eBay.
(This post was last modified: 13th-Jul-19, 05:24 AM by
Top Down.)
•
Posts: 285
Threads: 53
Likes Received: 399 in 176 posts
Likes Given: 38
Joined: Apr 2019
Antony have you considered a Slot.it flat motor?I understand that 20k might be a bit too much but the yellow one is a smooth motor.The other thing is to put pressure on Maurizio to produce a 15k flat motor
•
Posts: 118
Threads: 8
Likes Received: 176 in 70 posts
Likes Given: 65
Joined: Apr 2019
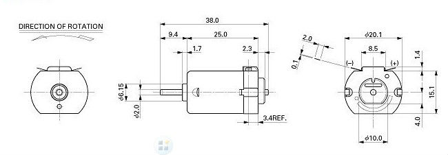
since the class it races in isn't usually very powerful motors anyway, consider an ff030 motor - similar to the ff050 slimline, but well - only 3/5ths the length.
The ones I have used are about 2.5 watts, They rev to 22k, but have so little torque, they have similar power to an NC-1 or a 15k ff050 motor.
I have a set of Scale BMW minis I re-powered as inline with these. They have enough power for a typical home track if you are running non-magnet.
Just gear them about 4:1 eg 8:30 or lower
You may be able to fit it sidewinder on edge behind the driver pan, or inline, making a shallower driver pan It is only 15.1mm in the flat height.
![[Image: 709571938_417.jpg]](https://is.alicdn.com/img/pb/938/571/709/709571938_417.jpg)
.
(This post was last modified: 13th-Jul-19, 10:00 AM by
slotloco.)
Posts: 86
Threads: 2
Likes Received: 31 in 24 posts
Likes Given: 348
Joined: Apr 2019
I never heard about an FF030 motor before (I know about FF050). Interesting.
•